如果你的吸尘车在换季的时候长期不使用,应停放在阴凉通风、干燥处,避免吸尘车车身过快的锈蚀,同时还需要定期对底盘、发动机、液压系统、电控系统等维护和保养,进行操作运转。
吸尘车使用什么标号的液压油?
吸尘车液压油:吸尘车液压系统的油品,推荐采用YB-N46抗磨液压油,相当于DIN51519/ISO,VG46液压油:40ºC时黏度:41.4-50.6mm2/s;闪点:180ºC;凝点:-33ºC。
需要注意:要么整体更换,要么只允许使用相同品质的液压油,不允许不同的油品混用。在换油时和检修液压系统时,为保证系统清洁度,维修人员应清洗各液压元件,且不要加注以前使用过的油品。
更换方法:液压油箱左侧下端设有放油螺塞;更换液压油时,应使各油缸处于缩回状态,从液压油箱下面的放油螺塞处放油,由油箱上端滤清器口加注。
润滑脂:吸尘车运动部位的润滑,推荐采用3号钙基润滑脂:锥入度:220~250 1/10mm;滴点: ≥90ºC。
润滑周期表:
序号 | 润滑部件 | 润滑点 | 加注周期 |
1 | 举升油缸 | 两端关节轴承 | 两周 |
2 | 开门油缸 | 两端关节轴承 | 两周 |
3 | 吸尘口提升油缸 | 两端关节轴承 | 两周 |
4 | 副吸尘口伸缩油缸 | 两端关节轴承 | 两周 |
5 | 吸尘口导向杆 | 前后铰接(共四处) | 两周 |
6 | 副发动机 | 动力输出轴承箱 | 100小时 |
7 | 风机 | 风机轴承箱 | 300小时 |
8 | 皮带张紧轮 | 张紧轮 | 100小时 |
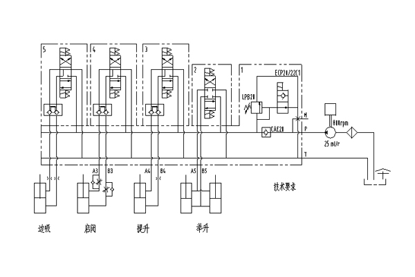
吸尘车液压系统调定压力为12.5MPa,用户不宜随意调节,以免造成事故。液压原理图见图1:

图1
本报讯(通讯员程丹阳报道) 程力汽车集团2020年度表彰大会,因去年疫情的影响,未能如期召开。遵循集团公司总经理程阿罗关于“待春暖花开,山河…
2021-05-28
本刊讯(通讯员丹阳报道) 5月16日下午,湖北省省委副书记、省长王忠林,利用宝贵的周末休息时间,带领省市相关领导风尘仆仆赶往随州市程力(曾…
2021-05-28
2月25日,湖北省政协委员、省工联副会长程力专用汽车股份有限公司董事长、程力汽车集团总经理程阿罗,应邀出席民营企业助力乡村振兴暨“千企兴…
2021-03-05
2021-03-05
2020-12-29
2020-12-19
随着城市化进程的不断加速,洗扫车作为城市环卫设备的重要组成部分,其发展方向备受关注。新能源洗扫车,作为洗扫车领域的重要创新方向,其未…
2023-06-26
本刊讯(本刊特约通讯员王飞、王希报道)“欧洲商用车典范,较具改装属性的南京依维柯底盘专用车 团展会及程力集团与南京依维柯汽车 略合作签约…
2021-05-28
本刊讯(通讯员刘佩林报道) 12月21日上午,工商联十二届四次执委会议暨100家民企抗疫单位表彰会,在素有中国绿城之称的广西壮族自治区南宁市举…
2020-12-29
2020-12-19
2020-11-20
2020-09-25
随着城市环境问题越来越受到大家的重视,绿化洒水车也成为当之无愧的净化环境的好帮手,随着市场上洒水车厂家越来越多,生产的洒水车种类更是…
2019-12-13
程力专用汽车股份有限公司抑尘车是通过喷洒抑尘固化剂或清水等液体实现抑制扬尘污染的专用车辆,一般在铁路、道路等粉尘高发的场所,它主要是…
2019-12-04
扫路车自动离心式离合器工作原理:扫路车装配有副发动机,它起到带动风机工作的较主要动力,那么动力在衔接过程中会有一个自动离心式离合器来…
2019-08-20
2019-08-17
2019-08-03
2019-06-20