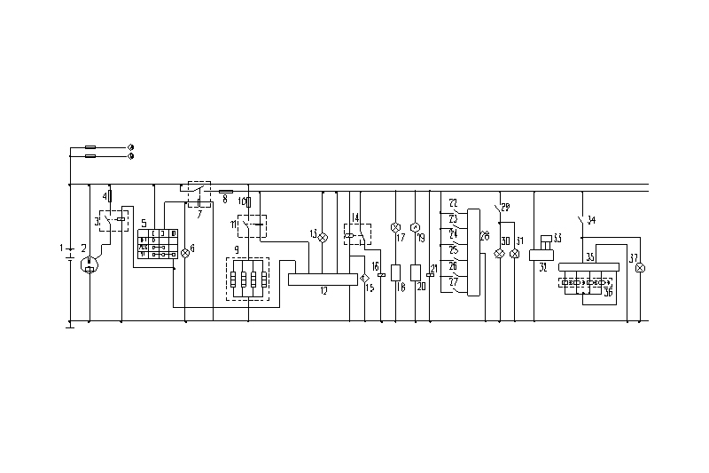
工业吸尘车电器装置主要用于控制液压系统中的电控阀和副发动机的电气控制,提供原理图(如图1)。

图1
工业吸尘车电器控制系统组成:1.原底盘蓄电池组 2.副发动机起动机 3.副发动机起动继电器 4.起动继电器保险丝(30A) 5.点火开关 6.控制盒电源指示灯 7.控制盒电源继电器 8.控制盒线路保险丝(30A) 9.副发动机预热塞 10.副发动机预热塞 11.副发动机预热保险丝(30A) 12.副发动机预热控制单元 13.副发动机预热指示灯 14.副发动机CSD电磁阀继电器 15.副发动机水温传感器 16.副发动机CSD电磁阀 17.副发动机机油压力指示灯 18.副发动机机油压力传感器 19.副发动机水温表 20.副发动机水温感应塞 21.副发动机燃油切断电磁阀 22.厢体举升开关 23.厢体下降开关 24.后门开启开关 25.后门关闭开关 26.主吸尘口举升开关 27.主吸尘口下降开关 28.液压系统继电器组 29. 灯开关 30. 灯 31. 灯指示灯 32.风机转速表 33.转速感应塞 34.反吹系统开关 35.反吹系统脉冲控制仪 36.反吹系统电磁阀组 37.反吹系统指示灯
注:该工业吸尘车电气原理图仅为改装部分所用的电路,原底盘的电气部分经1、2两条线引出,其详细线路布置省略。

本报讯(通讯员程丹阳报道) 程力汽车集团2020年度表彰大会,因去年疫情的影响,未能如期召开。遵循集团公司总经理程阿罗关于“待春暖花开,山河…
2021-05-28
本刊讯(通讯员丹阳报道) 5月16日下午,湖北省省委副书记、省长王忠林,利用宝贵的周末休息时间,带领省市相关领导风尘仆仆赶往随州市程力(曾…
2021-05-28
2月25日,湖北省政协委员、省工联副会长程力专用汽车股份有限公司董事长、程力汽车集团总经理程阿罗,应邀出席民营企业助力乡村振兴暨“千企兴…
2021-03-05
2021-03-05
2020-12-29
2020-12-19
随着城市化进程的不断加速,洗扫车作为城市环卫设备的重要组成部分,其发展方向备受关注。新能源洗扫车,作为洗扫车领域的重要创新方向,其未…
2023-06-26
本刊讯(本刊特约通讯员王飞、王希报道)“欧洲商用车典范,较具改装属性的南京依维柯底盘专用车 团展会及程力集团与南京依维柯汽车 略合作签约…
2021-05-28
本刊讯(通讯员刘佩林报道) 12月21日上午,工商联十二届四次执委会议暨100家民企抗疫单位表彰会,在素有中国绿城之称的广西壮族自治区南宁市举…
2020-12-29
2020-12-19
2020-11-20
2020-09-25
随着城市环境问题越来越受到大家的重视,绿化洒水车也成为当之无愧的净化环境的好帮手,随着市场上洒水车厂家越来越多,生产的洒水车种类更是…
2019-12-13
程力专用汽车股份有限公司抑尘车是通过喷洒抑尘固化剂或清水等液体实现抑制扬尘污染的专用车辆,一般在铁路、道路等粉尘高发的场所,它主要是…
2019-12-04
扫路车自动离心式离合器工作原理:扫路车装配有副发动机,它起到带动风机工作的较主要动力,那么动力在衔接过程中会有一个自动离心式离合器来…
2019-08-20
2019-08-17
2019-08-03
2019-06-20